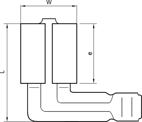
Receptacle angled rolled type 0.5 - 1 mm²

Material: brass/Cu, tin plated Cu/Sn.

Name